DRVZ(H42X)静音止回阀
- 销售:
- 销售:
- 传真:
详情介绍
- 产品介绍
- 服务承诺
- 订货流程
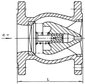
DRVZ、H42X静音止回阀由阀体、阀座、导流体、阀瓣、轴瓦及弹簧等零件组成。内部流道采用流线型设计,压力损失小,阀瓣启闭行程很短,停泵时可快速关闭,防止巨大的水锤声,形成静音效果。该阀主要用于给水、排水、消防、暖通系统,可安装于水泵出口处,防止介质倒流及水锤对泵的损坏。
主要技术参数
公称压力 | 1.0 | 1.6 | 2.5 |
高工作压力 | 1.0 | 1.6 | 2.5 |
密封试验压力 | 1.1 | 1.76 | 2.75 |
壳体试验压力 | 1.5 | 2.4 | 3.75 |
适用介质 | 水 | ||
介质温度 | X<80℃, T≤150℃, H≤200℃ | ||
主要零件材料
零件名称 | 材料 |
阀体、导流体 | 铸铁、铸钢 |
阀座、轴瓦、阀瓣、轴 | 青铜或不锈钢 |
弹簧 | 不锈钢 |

主要外形尺寸
公称通径 | L |
50 | 120 |
65 | 150 |
80 | 180 |
100 | 240 |
125 | 300 |
150 | 350 |
200 | 450 |
250 | 500 |
300 | 550 |
350 | 572 |
400 | 600 |
450 | 650 |
500 | 700 |
法兰连接尺寸:铁制阀门按GB4216.4(5)-84标准,钢制阀门按GB/T9113.1-2000(RF)标准。
良好的品质、优良的服务 南京康宁现代家电销售有限公司为你创造更多价值!
“南京康宁现代家电销售有限公司”的期望,不断提升服务质量,精益求精,“真诚的服务”是“南京康宁现代家电销售有限公司”永恒的主题。“南京康宁现代家电销售有限公司”严格按照IS09001-2000 质量体系认证要求,质量严格把关, 责任到人,确保生产、销售、服务的健康运行。加强与用户沟通,竭诚为广大客户提供优良产品,至善至美服务。特此我厂做出以下承诺:
产品标准:
产品严格按照中国GB、HG 标准和美国API等标准设计、制造、验收。密封面硬度达到国家规定要求,宽度超过国家标准。
售前服务:
产品介绍,技术交流,非标产品设计,疑难解答。
售中服务:
守信合同,保证及时供货,随时保持与客户联系。 对特殊或复制的产品,我厂安排技术人员对用户进行产品使用、故障排除
售后服务:
1、“南京康宁现代家电销售有限公司”牌产品品质期为自出厂起12个月,实行“三包”服务(包退、包换、保修)。
2、产品在使用中我厂定期组织技术、质检人员进行访问,征询用户对产品质量、 使用状况、改进意见等方面的反馈, 以便进一步提高产品质量。
3、对用户投诉质量问题,快速作出反应,售后服务人员在24-36小时(省外48小时)赶赴现场。
4、对售后服务,要求用户填写服务后的质量反馈信息表,并作出鉴定意见,以便提高南京康宁现代家电销售有限公司的服务质量。
1、客户如对产品有特殊要求,须在订货合同中提供以下说明:
a、结构长度;
b、连接形式;
c、公称直径、全通径、缩径、管道尺寸;
d、运行介质及温度、压力范围;
e、试验、检验标准及其他要求
2、本厂可根据客户特定要求配置各类驱动装置。
3、如由客户提供确定的阀门类型和型号时,客户应正确说明其型号的含义和要求,在供需双方理解一致的条件下签订合同。
4、期货、订货的客户请先来电函详细告诉所需的阀门型号、规格、数量以及交货时间、地点,并按总的30%预定金或全额货款及时汇入我厂帐户,其余货款待发货前汇入,以便及时安排发货。
订单流程:
1、客户采购清单传真至,或来电咨询
2、收到客户采购清单,为客户提供阀门型号选型与报价(价格清单)。
3、具体商定:交货期、特殊要求等事宜。
订货须知:
1、客户如对产品有特殊要求,须在订货合同中提供以下说明:
|
|||||
|
|||||
2、本厂可根据客户特定要求配置各类驱动装置。
|
|||||
3、如由客户提供确定的阀门类型和型号时,客户应正确说明其型号的含义和要求,在供需双方理解一致的条件下签订合同。
|
|||||
4、期货、订货的客户请先来电函详细告诉所需的阀门型号、规格、数量以及交货时间、地点,并按总的30%预定金或全额货款及时汇入我厂账户, 其余货款待发货前汇入,以便及时安排发货。
|
售中服务:
守信合同,保证及时供货,随时保持与客户联系。
对特殊或复制的产品,我厂安排技术人员对用户进行产品使用、故障排除
售后服务:
1、“南京康宁现代家电销售有限公司”产品品质期为自出厂起12个月,实行“三包”服务(包退、包换、保修)。
2、产品在使用中我厂定期组织技术、质检人员进行访问,征询用户对产品质量、使用状况、改进意见等方面的反馈,
以便进一步提高产品质量。
3、对用户投诉质量问题,快速作出反应,售后服务人员在24-36小时(省外48小时)赶赴现场。
4、对售后服务,要求用户填写服务后的质量反馈信息表,并作出鉴定意见,以便提高“南京康宁现代家电销售有限公司”的服务质量。
声明 |
|